כאשר המיקרופון קרוב למגבר עצמו חיבורו אל המגבר הינו דבר פשוט ואינטואיטיבי – במקרה הסטנדרטי כבל מיקרופון אפקטיבי עד ~40m. אך לפעמים, מאילוץ בשטח או אף מתכנון מוקדם, נדרש למקם את המיקרופון במרחק גדול מהמגבר. לדוגמה: במערכת כריזה בקניון שאנו נדרשים להקים עמדות מיקרופון כריזה אשר רחוקות ממגבר הכריזה עצמו או דוגמה דומה היא לשומר בבניין משרדים, או בית ספר.
במצב שכזה, אנו חייבים להשתמש במגבר מיקרופון על מנת להיפטר מהרעשים המתווספים לאות האודיו עקב אורך כבל המיקרופון, למטב את איכות האודיו ולהתאים את המתח בין המיקרופון למגבר הכריזה.
מהו מגבר מיקרופון?
כפי שנאמר, לא ניתן לשדר אות אודיו נקי עם כבל מיקרופון העולה על 40M~. במידה ונעשה זאת, מתח הסיגנל יהיה נמוך מידי ויתווספו רעשים אלקטרומגנטיים סביבתיים שלא יאפשרו שמע איכותי וברור.
על כן, קיים מגבר מיקרופון המאפשר הארכת מרחק המיקרופון ומהמגבר למרחק של עד 1KM.
המגבר עצמו מגביר את אות המיקרופון פי 1000, מ- 1mV (מתח המיקרופון) לעוצמתLINE/AUX של 1V (מתח LINE). כלומר, נכנס אל המגברון אות של מיקרופון וממנו יוצא אות LINE/AUX.
כיצד בנוי המגברון?
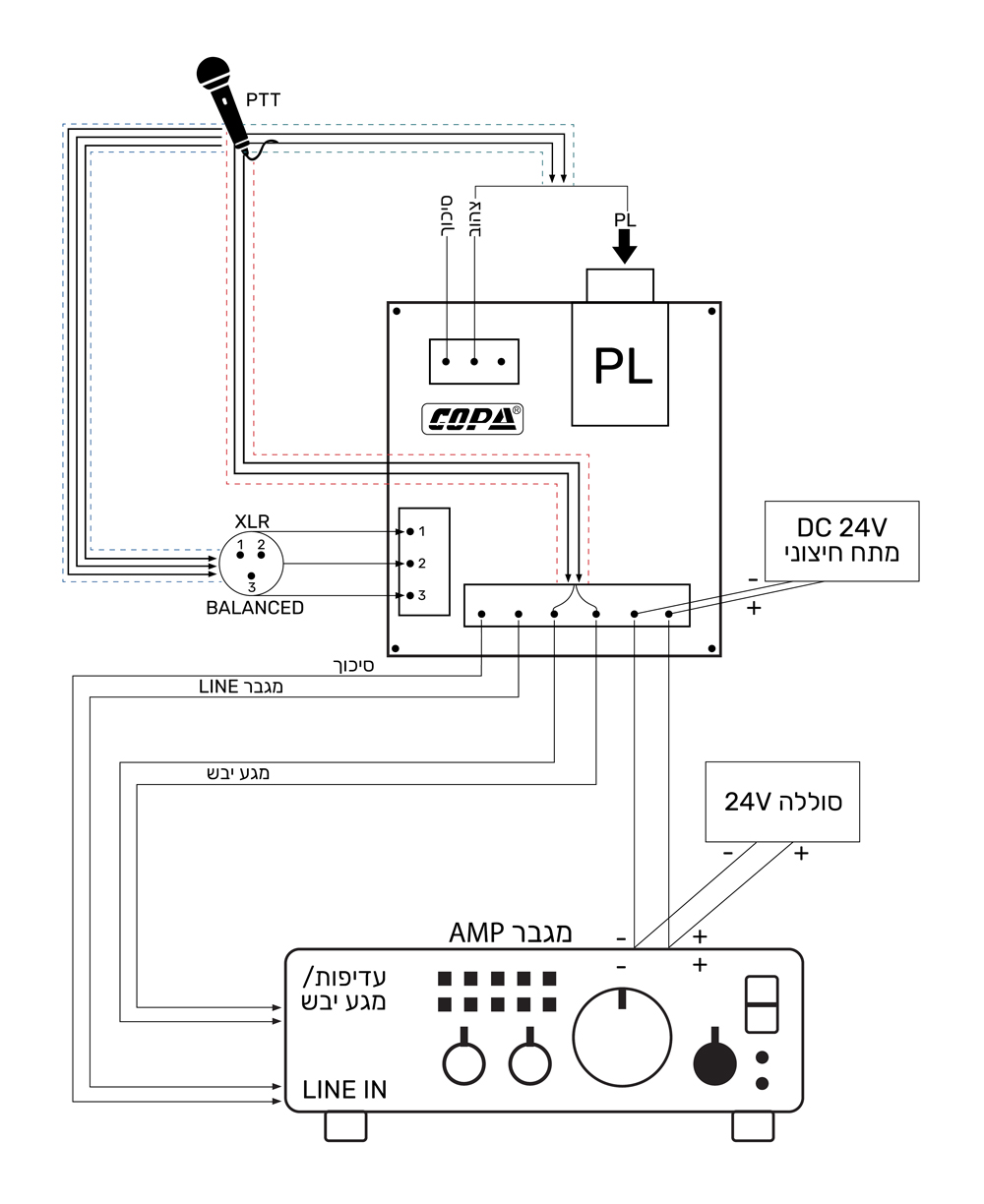
למגברון יש 3 אפשרויות לכניסת מיקרופון:
- כניסה של מיקרופון באמצעות 2 גיד (חיבור 2 חוטים או חיבורעם קונקטור PL).
- כניסה של מיקרופון 3 גיד BALANCED (חיבור 3 חוטים בזהה לחיבור XLR).
- כניסה של מיקרופון 4 גיד – 2 חוטי אודיו + 2 חוטי מגע יבש עבור אופציה להשתקת מוסיקה / כריזת אזורים.
היציאות של המגברון:
- יציאת LINEOUT (אל המגבר).
- יציאת מגע יבש N.O. (אל המגבר / כל מעגל אחר הדורש הפעלה ע״י טריגר).
מקור המתח למגברון:
- 24V מסוללות גיבוי המגבר.
- מהמגבר עצמו (שימו לב כי למגבר צריך להיות סוללת גיבוי להורדת מתח המגבר ל- 24V).
- מספק כוח ייעודי (כאשר אין צורך להפעיל בזמן חירום).

איך מחברים מגבר מיקרופון?
כדי לקבל את האיכות הטובה ביותר של שמע, למרחק הגדול ביותר, יש עדיפות בשימוש בכבל מסוכך או כבל בעל חוטים שזורים (twisted pair). חיבור המיקרופון למגבר יעשה ע״י כבל מיקרופון עם סיכוך. חיבור המגברון למגבר הכריזה יעשה ע״י כבל רשת CAT5/6/7 FTP כדלקמן:
- 2 גידים TWISTED (דוגמת הגיד בצבע כתום מלא + גיד כתום לבן) – אשר ישמשו האחד ל- (+) של המיקרופון והשני ל- (-) של המיקרופון ביציאת המגברון.
- 2 גידים נוספים (כחול + כחול לבן) עבור הדק המתח (+) של ה- 24V.
- 2 גידים נוספים (חום + חום לבן) עבור הדק המתח (–) של ה- 24V.
- 2 גידים נוספים (ירוק + חרוק לבן) עבור ה + / – של המגע היבש (בעת הצורך).
בנוסף,ניתן להשתמש גם בכבל מיקרופון 2 גידים + סיכוך. מכיוון ויציאת ה (-) של LineOut מהמגברון מהווה גם את האדמה (-) של המתח 24V (הם מקוצרים בכרטיס) נחבר את הכבל בצורה הבאה: הכבל מורכב מגיד אדום, שחור וסיכוך.
- גיד אדום – אל ה- (+) של ה-line out
- גיד שחור – אל ה- (+) של ה-24V
- סיכוך – אל ה- (-) של ה line out יחד עם ה (-) של ה-24V
מה עוד חשוב לדעת כשמשתמשים במגברון?
הגעתם עד לכאן? אז חשוב מאוד שתדעו כמה דברים נוספים שיכולים להקל עליכם את החיים.
- ניתן לחבר אל המגברון 2 מיקרופונים במקביל, האחד 2 גידים והשני 3 גידים בתצורת XLR.
- במידה ונרצה לחבר כמה מיקרופונים מרוחקים אל מגבר כריזה אחד, לדוגמה מיקרופון לכל עמדת שומר בקניון, נצטרך להשתמש במגברון לכל מיקרופון ואת כל המגברונים לחבר יחד לאותה כניסת LINE IN במגבר הכריזה.
- ניתן על ידי חיבור המיקרופון למגע היבש להשתיק את המוזיקה היוצאת מהמגבר או לחילופין אם יש לכם אזורים – לכרוז בכולם.
אז מה עושים אם רוצים להאריך את מיקום המיקרופון מעל לקילומטר?
נמליץ על פתרון אחר, ללא מגברון: הפתרון הנכון במעמד התכנון הינו להשתמש במערכת כריזה IP. במידה ונקלענו לסיטואציה שונה בשטח, נחבר את המיקרופון למגבר עם הספק נמוך, מהמגבר נוציא כבל רמקול 100V ונמשוך קילומטרים רבים עד למגבר הכריזה אליו מחוברים הרמקולים. מכיוון שלא נוכל לחבר את כבל הרמקול למגבר ישירות, נחבר כרטיס VOX שימיר את ה- 100V ל- LINE IN.
הסתבכתם? דברו איתנו ונעזור לכם לפתור את הבעיה בשטח.
לסיכום, מגבר מיקרופון יעזור לכם לחבר מיקרופון מרוחק, לחירום או בשגרה, למערכת הכריזה ללא רעשים ובעיות נלוות. ניתן לחבר כמה מגברונים ובכך לחבר כמה מוקדי מיקרופונים נפרדים ומרוחקים. החיבור עצמו פשוט ומאפשר לנו להפוך התקנה מורכבת לפשוטה, יעילה וחסכונית ועם זאת, עדין לשמור על איכות שמע גבוהה ללא רעשים והפרעות.
מה זה מגבר מיקרופון או מיקרופון מרוחק?
להתקנת מיקרופון מרוחק ממגבר הכריזה נזדקק למגבר מיקרופון
עד איזה מרחק מגבר מיקרופון אפקטיבי?
מרחק התקנה מקסימלי ממגבר הכריזה הינו 1 ק״מ. רוצה לדעת כיצד אפשר להגדיל עוד יותר טווח זה? כנס למדריך
האם ניתן להרחיק יותר ממיקרופון אחד?
כמובן, ניתן לחבר מספר מגברוני מיקרופונים לאותו מגבר הכריזה ולכל אחד מהם מיקרופון נפרד.